|
|
|
|
|
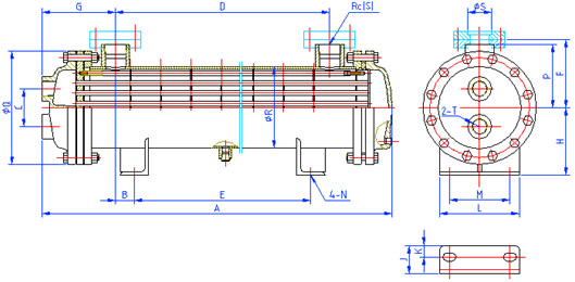
BC系列产品水冷式热交换器采用(传统结构的)裸管(表面未轧翅片)式传热器。小型产品为固定管板式结构,型号为BC;中、大型产品为游动管板结构,型号为BCY。
采用裸管(表面未轧翅片)式传热管,管外界膜传热系数高,抗污染能力强。适用于粘度高和较脏的油液的冷却; 以及水对水、水对气的热交换。
根据客户的要求,BC(Y)系列可以选用不锈钢材料,或特殊合金材料,适用于化工、高温介质、海水等介质的热交换场合。
该系列的中、大型产品采用游动管板式结构,可以将管束拆卸出来进行清洗和修理;
该系列产品从小型到中大型均可以根据客户要求设计制造,覆盖范围广。 |
.jpg) |
|
型号
|
A
|
C
|
D
|
E
|
F
|
G
|
H
|
J
|
K
|
L
|
M
|
N
|
P
|
Q
|
R
|
S
|
T
|
|
BC-302
|
309
|
45
|
152
|
107
|
85
|
81
|
87
|
35
|
15
|
95
|
58
|
11
×
20
|
62
|
120
|
89
|
Rc3/4
28.5 (DN20)
|
Rc3/4
|
|
303
|
381
|
224
|
179
|
|
304
|
531
|
374
|
329
|
|
305
|
597
|
440
|
395
|
|
306
|
741
|
584
|
539
|
|
307
|
813
|
656
|
611
|
|
308
|
885
|
728
|
683
|
|
BC-406
|
469
|
60
|
284
|
240
|
110
|
95
|
125
|
50
|
20
|
160
|
110
|
18
×
22
|
87
|
150
|
115
|
Rc11/2
43
(DN32)
|
Rc3/4
|
|
407
|
547
|
362
|
318
|
|
408
|
613
|
428
|
384
|
|
410
|
757
|
572
|
528
|
|
412
|
829
|
644
|
600
|
|
413
|
901
|
716
|
672
|
|
415
|
1045
|
860
|
816
|
|
417
|
1188
|
1003
|
959
|
|
BC-510
|
572
|
70
|
340
|
276
|
140
|
121
|
160
|
50
|
20
|
180
|
120
|
18
×
25
|
105
|
200
|
141
|
Rc11/2
52
(DN40)
|
Rc1
|
|
512
|
638
|
406
|
342
|
|
515
|
782
|
550
|
486
|
|
517
|
854
|
622
|
558
|
|
519
|
926
|
694
|
630
|
|
522
|
1070
|
838
|
774
|
|
526
|
1213
|
981
|
917
|
|
528
|
1323
|
1091
|
1027
|
|
BC-621
|
822
|
70
|
502
|
427
|
160
|
165
|
180
|
160
|
50
|
30
|
210
|
18
×
30
|
122
|
245
|
165
|
Rc2
65
(DN50)
|
Rc1
|
|
623
|
858
|
538
|
463
|
|
627
|
992
|
672
|
597
|
|
631
|
1110
|
790
|
715
|
|
634
|
1204
|
884
|
809
|
|
637
|
1288
|
968
|
893
|
|
640
|
1408
|
1088
|
1013
|
|
643
|
1478
|
1158
|
1083
|
|
645
|
1563
|
1243
|
1168
|
.jpg) |
|
型号
|
A
|
B
|
C
|
D
|
E
|
F
|
G
|
H
|
J
|
K
|
L
|
M
|
N
|
P
|
Q
|
R
|
S
|
T
|
|
BCY-510
|
569
|
32
|
70
|
317
|
253
|
140
|
141
|
160
|
50
|
20
|
180
|
120
|
18
×
25
|
105
|
200
|
141
|
Rc11/2
50
(DN40)
|
Rc1
|
|
512
|
635
|
383
|
319
|
|
515
|
779
|
527
|
463
|
|
517
|
851
|
599
|
535
|
|
519
|
923
|
671
|
607
|
|
522
|
1067
|
815
|
751
|
|
526
|
1210
|
958
|
894
|
|
528
|
1320
|
1068
|
1004
|
|
BCY-621
|
819
|
37.5
|
70
|
479
|
404
|
160
|
185
|
180
|
50
|
20
|
210
|
140
|
18
×
30
|
122
|
245
|
165
|
Rc2
65
(DN50)
|
Rc1
|
|
623
|
855
|
515
|
440
|
|
627
|
989
|
649
|
574
|
|
631
|
1107
|
767
|
692
|
|
634
|
1201
|
861
|
786
|
|
637
|
1285
|
945
|
870
|
|
640
|
1405
|
1065
|
990
|
|
643
|
1475
|
1135
|
1060
|
|
645
|
1560
|
1220
|
1145
|
|
BCY-842
|
973
|
50
|
100
|
613
|
513
|
180
|
195
|
180
|
80
|
37
|
240
|
180
|
22
×
35
|
165
|
300
|
219
|
Rc21/2
Ф77
(DN65)
|
Rc11/2
|
|
850
|
1117
|
757
|
657
|
|
858
|
1260
|
900
|
800
|
|
864
|
1370
|
1010
|
910
|
|
869
|
1460
|
1100
|
1000
|
|
877
|
1570
|
1210
|
1110
|
|
881
|
1680
|
1320
|
1220
|
|
890
|
1850
|
1490
|
1390
|
|
896
|
1970
|
1610
|
1510
|
|
BCY-1085
|
1270
|
60
|
120
|
880
|
760
|
220
|
210
|
220
|
80
|
37
|
280
|
200
|
22
×
35
|
200
|
350
|
273
|
Rc3
92
(DN80)
|
Rc11/2
|
|
1095
|
1380
|
|
|
990
|
870
|
|
|
|
|
|
|
|
|
|
|
|
|
|
|
10100
|
1470
|
1080
|
960
|
|
10110
|
1580
|
1190
|
1070
|
|
10120
|
1690
|
1300
|
1180
|
|
10127
|
1770
|
1380
|
1260
|
|
10134
|
1860
|
1470
|
1350
|
|
10144
|
1980
|
1590
|
1470
|
|
10154
|
2100
|
1710
|
1590
|
|
10165
|
2240
|
1850
|
1730
|
|
BCY-12140
|
1495
|
55
|
150
|
1060
|
950
|
280
|
237
|
280
|
100
|
40
|
350
|
250
|
22
×
40
|
226
|
445
|
324
|
Rc3
92
(DN80)
|
Rc2
|
|
12150
|
1605
|
85
|
1170
|
1000
|
|
12165
|
1715
|
95
|
1280
|
1100
|
|
12176
|
1795
|
105
|
1360
|
1150
|
|
12186
|
1885
|
150
|
1450
|
1150
|
|
12200
|
2005
|
185
|
1570
|
1200
|
|
12214
|
2125
|
245
|
1690
|
1200
|
|
12229
|
2265
|
290
|
1830
|
1250
|
|
12240
|
2355
|
335
|
1920
|
1250
|
|
12250
|
2445
|
355
|
2010
|
1300
|
|
12260
|
2535
|
375
|
2100
|
1350
|
|
BCY-14250
|
1866
|
105
|
220
|
1310
|
1100
|
280
|
334
|
280
|
100
|
40
|
400
|
300
|
24
×
50
|
243
|
470
|
357
|
Rc3
92
(DN80)
|
77.5
(DN65)
|
|
14270
|
1956
|
150
|
1400
|
1100
|
|
14290
|
2076
|
160
|
1520
|
1200
|
|
14310
|
2196
|
220
|
1640
|
1200
|
|
14333
|
2336
|
240
|
1780
|
1300
|
|
14348
|
2426
|
235
|
1870
|
1400
|
|
14363
|
2516
|
280
|
1960
|
1400
|
|
14378
|
2606
|
275
|
2050
|
1400
|
|
14395
|
2706
|
325
|
2150
|
1500
|
|
14409
|
2796
|
370
|
2240
|
1600
|
|
BCY-16335
|
2153
|
140
|
240
|
1480
|
1200
|
350
|
395
|
350
|
100
|
40
|
400
|
300
|
26
×
50
|
_
|
560
|
407
|
116
(DN100)
|
90.5
(DN80)
|
|
16360
|
2273
|
200
|
1600
|
1200
|
|
16385
|
2413
|
220
|
1740
|
1300
|
|
16400
|
2503
|
265
|
1830
|
1300
|
|
16420
|
2593
|
310
|
1920
|
1300
|
|
16435
|
2683
|
305
|
2010
|
1400
|
|
16555
|
2783
|
355
|
2110
|
1400
|
|
16470
|
2873
|
350
|
2200
|
1500
|
|
16485
|
2963
|
345
|
2290
|
1600
|
|
16505
|
3053
|
390
|
2380
|
1600
|
|
BCY-18540
|
2303
|
40
|
310
|
1580
|
1500
|
380
|
401
|
380
|
100
|
40
|
450
|
350
|
26
×
50
|
_
|
620
|
480
|
116
(DN100)
|
90.5
(DN80)
|
|
18580
|
2443
|
110
|
1720
|
1500
|
|
18605
|
2533
|
130
|
1810
|
1550
|
|
18632
|
2623
|
175
|
1900
|
1550
|
|
18658
|
2713
|
195
|
1990
|
1600
|
|
18687
|
2813
|
245
|
2090
|
1600
|
|
18713
|
2903
|
240
|
2180
|
1700
|
|
18739
|
2993
|
285
|
2270
|
1700
|
|
18765
|
3083
|
280
|
2360
|
1800
|
|
18791
|
3173
|
275
|
2450
|
1900
|
|
18817
|
3263
|
270
|
2540
|
2000
|
|
|
|
|
|
|
|
|
|