|
|
|
|
|
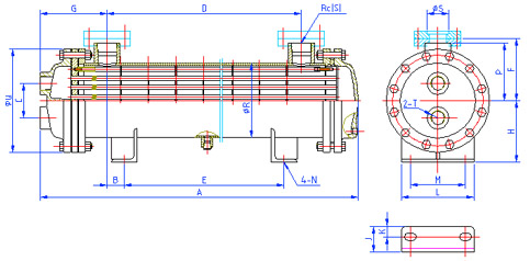
FC(Y)系列产品水冷式热交换器采用传统结构的并结合国外新技术设计的翅片式热交换器。小型产品为固定管板式结构,型号为FC;中、大型产品为游动管板式结构,型号为FCY。
传热管采用紫铜管轧制出散热翅片,换热面积大,产品体积小,重量轻。适用于粘度低和较清洁的油液的冷却;可应用于塑料机械、液压设备、空压机、稀油油滑系统、液力偶合器、电力装置等行业。
该系列的中、大型产品采用游动管板式结构,可以将管束拆卸出来进行清洗和修理;
该系列产品从小型到中大型均可以根据客户要求设计制造,覆盖范围广。 |
 |
 |
|
型号
|
A
|
C
|
D
|
E
|
F
|
G
|
H
|
J
|
K
|
L
|
M
|
N
|
P
|
Q
|
R
|
S
|
T
|
|
FC-303
|
309
|
45
|
152
|
107
|
85
|
81
|
87
|
35
|
15
|
95
|
56
|
11
×
20
|
62
|
120
|
89
|
Rc3/4
28.5
(DN20)
|
Rc3/4
|
|
304
|
381
|
224
|
179
|
|
306
|
453
|
296
|
251
|
|
307
|
531
|
374
|
329
|
|
308
|
597
|
440
|
395
|
|
310
|
741
|
584
|
539
|
|
311
|
813
|
656
|
611
|
|
312
|
885
|
728
|
683
|
|
FC-410
|
469
|
60
|
284
|
240
|
110
|
95
|
125
|
50
|
20
|
160
|
110
|
18
×
22
|
87
|
150
|
115
|
Rc11/4
43
(DN32)
|
Rc3/4
|
|
413
|
547
|
362
|
318
|
|
415
|
613
|
428
|
384
|
|
419
|
757
|
572
|
528
|
|
422
|
829
|
644
|
600
|
|
424
|
901
|
716
|
672
|
|
428
|
1045
|
860
|
816
|
|
FC-519
|
572
|
70
|
340
|
276
|
140
|
121
|
160
|
50
|
20
|
180
|
120
|
18
×
25
|
105
|
200
|
141
|
Rc11/2
52
(DN40)
|
Rc1
|
|
522
|
638
|
406
|
342
|
|
529
|
782
|
550
|
486
|
|
532
|
854
|
622
|
558
|
|
535
|
926
|
694
|
630
|
|
542
|
1070
|
838
|
774
|
|
549
|
1213
|
981
|
917
|
|
554
|
1323
|
1091
|
1027
|
|
FC-635
|
894
|
70
|
574
|
499
|
160
|
165
|
180
|
67
|
30
|
220
|
140
|
18
×
30
|
122
|
245
|
165
|
Rc2
65
(DN50)
|
Rc1
|
|
640
|
966
|
646
|
571
|
|
645
|
1110
|
790
|
715
|
|
650
|
1253
|
933
|
858
|
|
660
|
1363
|
1043
|
968
|
|
665
|
1453
|
1133
|
1058
|
|
670
|
1563
|
1243
|
1168
|
|
675
|
1673
|
1353
|
1278
|
|
680
|
1753
|
1433
|
1358
|
 |
|
型 号
|
A
|
B
|
C
|
D
|
E
|
F
|
G
|
H
|
J
|
K
|
L
|
M
|
N
|
P
|
Q
|
R
|
S
|
T
|
|
FCY-519
|
569
|
32
|
70
|
317
|
253
|
140
|
141
|
160
|
50
|
20
|
180
|
120
|
18×25
|
105
|
200
|
141
|
Rc11/2
52
(DN40)
|
Rc1
|
|
522
|
635
|
383
|
319
|
|
529
|
779
|
527
|
463
|
|
532
|
851
|
599
|
535
|
|
535
|
923
|
671
|
607
|
|
542
|
1067
|
815
|
751
|
|
549
|
1210
|
958
|
894
|
|
554
|
1320
|
1068
|
1004
|
|
FCY-635
|
891
|
37.5
|
70
|
551
|
476
|
160
|
185
|
180
|
67
|
30
|
220
|
140
|
18×30
|
122
|
245
|
165
|
Rc2
65
(DN50)
|
Rc1
|
|
640
|
963
|
623
|
548
|
|
645
|
1107
|
767
|
692
|
|
650
|
1250
|
910
|
835
|
|
660
|
1360
|
1020
|
945
|
|
665
|
1450
|
1110
|
1035
|
|
670
|
1560
|
1220
|
1145
|
|
675
|
1670
|
1330
|
1255
|
|
680
|
1750
|
1410
|
1335
|
|
FCY-860
|
900
|
50
|
100
|
541
|
441
|
180
|
195
|
180
|
80
|
37
|
240
|
180
|
22×35
|
165
|
300
|
219
|
Rc21/2
77
(DN65)
|
Rc11/2
|
|
870
|
972
|
613
|
513
|
|
885
|
1116
|
757
|
657
|
|
8100
|
1259
|
900
|
800
|
|
8110
|
1369
|
1010
|
910
|
|
8120
|
1459
|
1100
|
1000
|
|
8130
|
1569
|
1210
|
1110
|
|
8145
|
1679
|
1320
|
1220
|
|
8160
|
1849
|
1490
|
1390
|
|
8170
|
1969
|
1610
|
1510
|
|
FCY-10150
|
1270
|
60
|
120
|
880
|
760
|
220
|
210
|
220
|
80
|
37
|
280
|
200
|
22×35
|
200
|
350
|
273
|
Rc3
92
(DN80)
|
Rc11/2
|
|
10165
|
1380
|
990
|
870
|
|
10180
|
1470
|
1080
|
960
|
|
10200
|
1580
|
1190
|
1070
|
|
10210
|
1690
|
1300
|
1180
|
|
10225
|
1770
|
1380
|
1260
|
|
10240
|
1860
|
1470
|
1350
|
|
10260
|
1980
|
1590
|
1470
|
|
10280
|
2100
|
1710
|
1590
|
|
10300
|
2240
|
1850
|
1730
|
|
FCY-12260
|
1495
|
55
|
150
|
1060
|
950
|
280
|
236
|
280
|
100
|
45
|
350
|
250
|
22×40
|
226
|
445
|
324
|
Rc3
92
(DN80)
|
Rc2
|
|
12340
|
1885
|
150
|
|
1450
|
1150
|
|
|
|
|
|
|
|
|
|
|
|
|
|
|
12360
|
2005
|
185
|
1570
|
1200
|
|
12400
|
2125
|
245
|
1690
|
1200
|
|
12420
|
2265
|
290
|
1830
|
1250
|
|
12440
|
2355
|
335
|
1920
|
1250
|
|
12460
|
2445
|
355
|
2010
|
1300
|
|
12480
|
2535
|
375
|
2100
|
1350
|
|
FCY-14450
|
1866
|
80
|
220
|
1310
|
1150
|
280
|
334
|
280
|
100
|
40
|
400
|
300
|
24×50
|
242
|
470
|
377
|
Rc3
92
(DN80)
|
77.5
(DN65)
|
|
14470
|
1956
|
100
|
1400
|
1200
|
|
14510
|
2076
|
160
|
1520
|
1200
|
|
14550
|
2196
|
220
|
1640
|
1200
|
|
14590
|
2336
|
240
|
1780
|
1300
|
|
14620
|
2426
|
235
|
1870
|
1400
|
|
14645
|
2516
|
280
|
1960
|
1400
|
|
14670
|
2606
|
275
|
2050
|
1500
|
|
14700
|
2706
|
325
|
2150
|
1500
|
|
14730
|
2796
|
320
|
2240
|
1600
|
|
FCY-16640
|
2153
|
190
|
240
|
1480
|
1100
|
350
|
395
|
350
|
100
|
40
|
400
|
300
|
26×50
|
_
|
560
|
426
|
116
(DN100)
|
90.5
(DN80)
|
|
16680
|
2273
|
200
|
1600
|
1200
|
|
16730
|
2413
|
270
|
1740
|
1200
|
|
16770
|
2503
|
265
|
1830
|
1300
|
|
16800
|
2593
|
310
|
1920
|
1300
|
|
16840
|
2683
|
305
|
2010
|
1400
|
|
16870
|
2783
|
355
|
2110
|
1400
|
|
16910
|
2873
|
350
|
2200
|
1500
|
|
16940
|
2963
|
345
|
2290
|
1600
|
|
16980
|
3053
|
390
|
2380
|
1600
|
|
FCY-18850
|
2303
|
90
|
310
|
1580
|
1400
|
380
|
401
|
380
|
100
|
40
|
450
|
350
|
26×50
|
_
|
620
|
480
|
116
(DN100)
|
90.5
(DN80)
|
|
18920
|
2443
|
135
|
1720
|
1450
|
|
18960
|
2533
|
155
|
1810
|
1500
|
|
181000
|
2623
|
200
|
1900
|
1500
|
|
181040
|
2713
|
195
|
1990
|
1600
|
|
181090
|
2813
|
245
|
2090
|
1600
|
|
181130
|
2903
|
240
|
2180
|
1700
|
|
181170
|
2993
|
285
|
2270
|
1700
|
|
181220
|
3083
|
280
|
2360
|
1800
|
|
181260
|
3173
|
275
|
2450
|
1900
|
|
191300
|
3263
|
270
|
2540
|
2000
|
|
|
|
|
|
|
|
|
|